【产品用途】
【产品性能规范】
|
阀体材料 |
公称压力 |
工作温度 |
适用介质 |
|
|
(MPa) |
(℃) |
|||
|
碳 钢 |
1.6-6.4 |
≤425 |
水、油品、蒸汽 |
|
|
10.0、16.0 |
≤450 |
/ |
||
|
不锈钢 |
P |
1.6-16.0 |
≤200 |
硝酸类 |
|
R |
/ |
/ |
醋酸类 |
|
|
铬镍钛 |
PI |
1.6-6.4 |
≤550 |
石油、石油产品 |
|
耐热钢 |
||||
|
铬钼钢 |
1.6-16.0 |
≤550 |
油 |
|
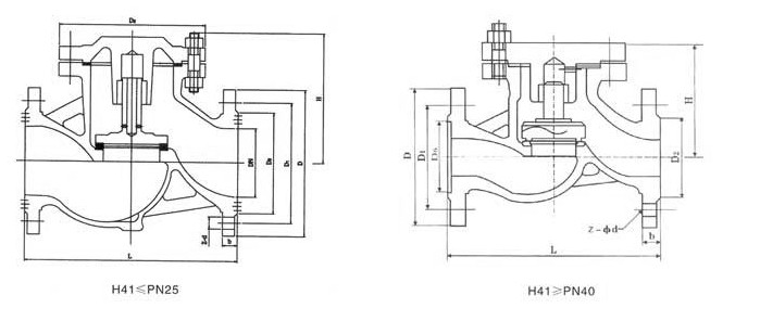
【主要外形尺寸】
|
公称压力 PN |
公称通径 |
主要连接尺寸 |
外形尺寸 |
||||||||
|
L |
D |
D 1 |
D 2 |
D 6 |
b |
f |
f 1 |
Z-φd |
H |
||
|
1.6MPa |
40 |
200 |
145 |
110 |
85 |
- |
16 |
2 |
- |
4-18 |
95 |
|
50 |
230 |
160 |
125 |
100 |
- |
16 |
2 |
- |
4-18 |
105 |
|
|
65 |
290 |
180 |
140 |
120 |
- |
18 |
2 |
- |
4-18 |
120 |
|
|
80 |
310 |
195 |
165 |
135 |
- |
20 |
3 |
- |
8-18 |
130 |
|
|
100 |
350 |
215 |
180 |
155 |
- |
20 |
3 |
- |
8-18 |
140 |
|
|
125 |
400 |
245 |
210 |
185 |
- |
22 |
3 |
- |
8-12 |
155 |
|
|
150 |
480 |
280 |
240 |
210 |
- |
24 |
3 |
- |
8-13 |
180 |
|
|
200 |
600 |
335 |
295 |
265 |
- |
26 |
3 |
- |
12-23 |
215 |
|